Технологический модем МЕРКУРИЙ 223

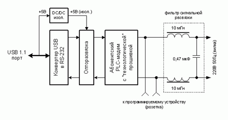
Технологический модем "Меркурий 223" (далее ТМ) используется для программирования сетевых адресов абонентских устройств (счётчиков электрической энергии со встроенными PLС-модемами серий "Меркурий"), предназначенных для применения в составе системы автоматизированного сбора данных по силовой сети "Меркурий-PLC". Для связи с внешним миром ТМ имеет два интерфейса: технологический PLC-интерфейс, который используется собственно в процессе программирования счётчиков (выведен на розетку верхней крышки корпуса) компьютерный USB 1.1 Блок-схема ТМ приведена ниже.
При подключении ТМ к персональному компьютеру, в составе имеющихся у него системных устройств появляется виртуальный COM -порт через который в дальнейшем и осуществляется управление процессом программирования со стороны прикладного ПО.
При обмене данными ТМ использует т.н. "технологический" режим связи с абонентским устройством. В этом режиме данные в обе стороны передаются с использованием "быстрой" (100 бит/сек) относительной фазовой манипуляции на частоте 20 кГц и с заниженными в 10 раз уровнями сигналов.
Основные технические характеристики
Максимальная скорость передачи, бод 115200
Разъём для подключения к компьютеру USB AM
Разъем для подключения электросчетчиков розетка ~220 В
Внешнее питание , В 220 ± 10%
Максимальное количество подключаемых электросчётчиков 1
Рабочий диапазон температур, С° от 0 до +50
Подключение счётчика для задания сетевого адреса
Внимание! Варианты порчи Т-модема при смене адреса на жилом доме.

Вариант №1.
Не отключенный нулевой провод.
При не отключенном нулевом проводе от счетчика , при перепутывании проводов фаза и 0 от Т-модема может произойти короткое замыкание с протеканием большого тока через дроссель Т модема.

Вариант №2.
Не отключенная нагрузка.
Подсоединение технологического модема без отключения нагрузки может привести к выгоранию дросселей Т-модема в момент подачи питания на счетчик, так как в квартире может быть оставлен подсоединенный к розетке холодильник и его включение вызовет протекание большого тока через дроссели Т-модема.